The architecture of the Univac Solid State Computer 90.
 
There was not...
First of all I have to mention all there was not:
In the CPU there was no stack, there were no interrupts or interrupt-calls, 
there was not any form of an operating system, there was no user interface - 
only 49 lamps displaying the contents of a register, so no console, 
not a keyboard but only a small keypad to enter numerical digits only, 
no resident software like Bios or ROM, no autonomous start-up, no energy-saving system, 
no back-up device, sorry, not even anything to be back-upped.
The fastest way for data-transmission in the days of this Univac Computer was to call for a cab 
and to ask the driver to deliver the print-outs, a tape or a box with punch-cards at a certain address.
But back then in 1971, we did not know what we were missing and we felt rich owning this superb computer.
The architecture.
The computer was designed around the memory-drum. 
The drum was built according to the highest technical standards and possibilities then available. 
This made that the highest frequency that could reliably be recorded on the drum and which would allow to be modulated to contain data, 
turned out to be around 700 kHz.
The number of bands and the size of the data-packages (words) were chosen on physical and computer-technical grounds. 
In those days each bit required about one square millimeter of space on the magnetic surface of the drum. 
The data-density in a modern Hard disk of 1 TB is about ten million (10e7) times better.
So there was a drum with 25 bands of each 200 words which each contained ten digits, a sign and a gap.
The drum rotated with 295 c/S wich caused the average access-time to be 1/2 x 3.4 mS.
Five of these bands were designed for a higher speed access by writing and reading them with four sets of heads, 
each set on a 90' place. This diminished the access time to a fourth and this area was called high-speed-access.
To provide a timing-system to synchronize the drum and the computer, 
a sprocket and a timing-band were written on the drum in the factory.
Further buffer-bands were added, 
first to make the IO-devices to work autonomously from or to these buffers and 
secondly to keep the logics of these interfaces simple.
Around this magnetic-drum the computer was designed.
 
Codes.
The alpha/numeric code for punch-cards had already been established since 
Remington Rand had been building card equipment using the 90-column Remington Rand card code for several decades.
For the internal machine-code the 4 bit biquinary code was chosen. 
The first three bits were binary but the fourth bit got the value of 5. 
This made the code 5-symmetrical, which simplified the logics for accessing the high speed area of the drum-memory.
Within this biquinary code only one bit (4000) in the address correlated with addressing the fast-access-bands or the high-speed access-bands.
In accessing the high-speed-area two bits were directly related to the segment (100 and 50). 
And five bits directly addressed the bands (200 + 400 + 500 + 1000 + 2000).
The 4000-bit directly pointed to the high-speed-access area, the bands 4000, 4200, 4400, 4600 and 4800.
Because the 5000 bit had no significance for the drum, it was used to force the CPU and the drum to simulate 
high-speed-access on the normal-access-bands. We never found any reason to use this feature.
To ensure data-integrity of the data-transfers to and from the drum, a 5th bit was added to the code, the parity-bit, 
which made that all digits consisted of an odd number of 1-bits. When parity failed, the computer would stop immediately. 
In our system I never saw this happening.
An odd thing was that the USSC80 used a totally different set of A/N-codes than the USSC90 did. 
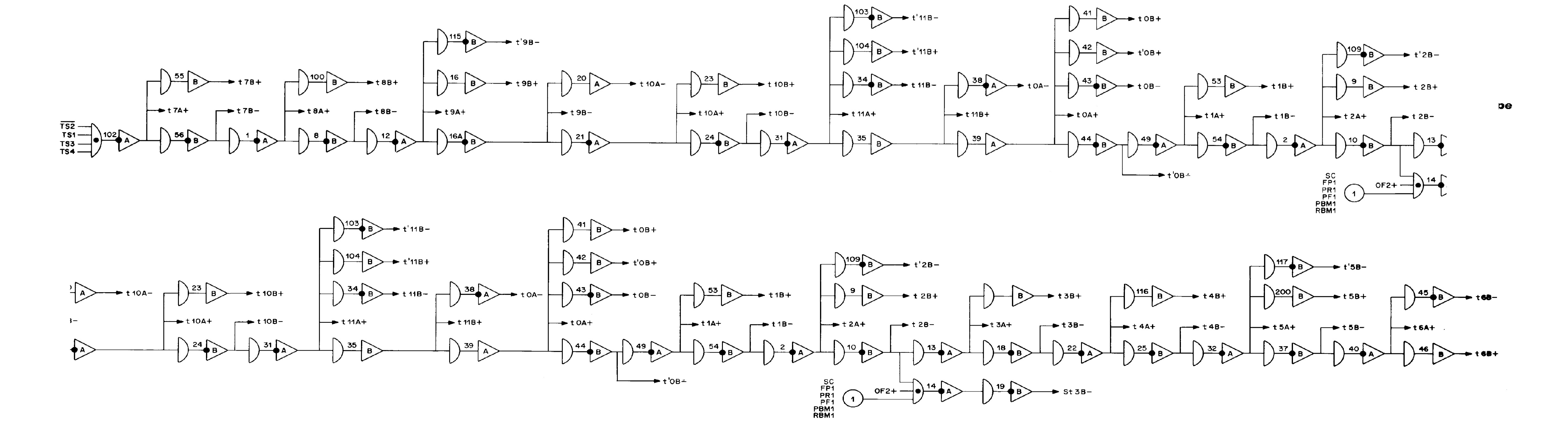
Ferractors.
The engineers had a memory-drum from which the data was read with a speed of 707.000 bits per second.
For the 4 registers, the arithmetic, the logics and the IO-control relays were far too slow, 
tubes were too big, too hot and not reliable enough and transistors were still in an experimental stage. 
Transistors were only used for amplifying small signals and for the interfaces between the ferractor circuits and relays. 
Any kinds of integrated circuits were unknown then.
The ferractor turned out to be the most reliable logical device. 
After research (described in part 6 of the Solid State 90 service manual 1) the engineers found 
that small transformers pushed into saturation with an AC of 707kHz, could be used as amplifiers. 
These transformers had a bias-coil and a small bias-current could cause the core to be magnetized or not. 
On the next half cycle the core showed a high or low impedance, depending on its magnetic state. 
The bias-current was relatively small and this made that one amplifier-circuit could drive 5 to 7 other circuits.
These amplifiers stored the bit for half a cycle. This meant that there was no need for flip-flops for building registers. 
By putting 24 ferractor-circuits in a chain, they built a register in which 12 bits circled around. 
Four of these chains could store a four bit ten digit word and these were used as registers.
